市委
市政府
无障碍浏览
┃
政府邮箱
登录
|
注册
天气预报:
首页
市政府
新闻中心
政务公开
政务服务
政民互动
走进奎屯
首页
>
政务公开
>
政府信息公开目录
>
政府本级目录
>
政府职能
索引号
文号
生成日期
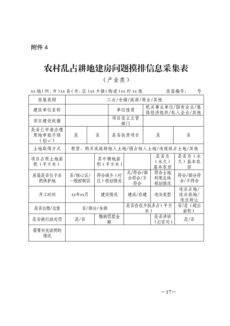
关于印发《奎屯市农村乱占耕地建房问题整治工作 2020 年实施方案》的通知(奎政办发〔2020〕17 号)
相关解读:
附 件:
开办:新疆奎屯市人民政府
主办:新疆奎屯市人民政府办公室
承办:新疆奎屯市人民政府电子政务办公室
新ICP备10002640号
新公网安备 65400302654027号
网站标识码 6540030004
联系我们:0992--3223011
通用网址:丝路明珠·华美奎屯